博客
主页 博客

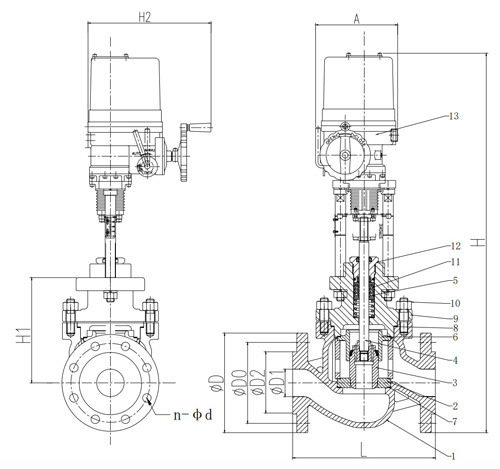
电动压力平衡单座控制阀,两侧均带双挡板

电动压力平衡单座控制阀,两侧均带双挡板

November 30, -0001

介绍:

 

在瞬息万变的工业流程中,精准控制至关重要。隆重推出GEKO革命性的产品。 电动压力平衡单座双挡板控制阀 两侧均采用尖端解决方案,旨在将您的控制能力提升到前所未有的水平。

 

Electric-Pressure-Balance-Single-Seat-Control-Valve-with-a-Double-Flap-On-Each-Side.jpg

 

主要特点:

 

重新定义精度:

GEKO的 电动压力平衡阀 该产品经过精心设计,可在控制流量和压力方面提供无与伦比的精度。两侧的双瓣设计确保了响应迅速且精确的调节,从而在各种应用中实现最佳的工艺控制。

 

压力平衡技术:

该设备采用的压力平衡技术 控制阀 确保运行的稳定性和可靠性。得益于GEKO对尖端工程技术的执着追求,即使在充满挑战和波动的工艺条件下,也能体验到始终如一的性能。

 

双翼优势:

阀门两侧的双瓣设计堪称颠覆性创新。它提高了控制精度,最大限度地减少了滞后现象,并优化了响应时间。这项创新功能使GEKO在控制阀技术领域脱颖而出,成为行业领导者。

 

多功能性得以充分发挥:

无论您身处化工、石油化工、发电或其他流程工业,GEKO 的电动压力平衡阀都能适应各种应用场景。其多功能性使其成为寻求可靠且适应性强的控制阀的工程师和操作人员的首选解决方案。

 

无缝集成:

与现有控制系统无缝集成,让您轻松升级现有系统。无需进行大规模改造,即可体验现代控制技术的优势。

 

结构坚固:

GEKO深谙工业环境的需求。这款控制阀的设计以耐用性为核心,采用坚固的结构,确保使用寿命长、维护量少,从而提升整体成本效益。

 

结论:


GEKO的电动压力平衡单座控制阀,两侧均采用双阀瓣设计,是追求精准、高效和可靠控制的行业的颠覆性解决方案。GEKO致力于创新和卓越,助您提升控制能力,在竞争激烈的市场中保持领先地位。投资控制技术的未来——选择GEKO。info@geko-union.com

 

留言

留言
如果您对我们的产品感兴趣并想了解更多详细信息,请在此处留言,我们会尽快回复您。
提交

主页

产品

接触